Keyless entry

Discution sur les Corvettes C3

Moderators: BanditB2, Djairol, Vince, reynald, jerome, rené, gipelo

Post Reply
jerome
Small block
Posts: 1122
Joined: 29 Jan 2004 8:05
Votre type de corvette: C5

Keyless entry

Post by jerome » 23 Jan 2007 12:39

bon alors qulqu'un a deja installé ca sur sa vette?
une idée de comment qu'on fait?
c'est possible de garder les boutons sur les garnitures de portes?

:wink:

ps: ca vaut pas cher ces kit suffit de chercher! 8)

User avatar
Vince
Big block
Posts: 3615
Joined: 28 Jan 2004 14:33
Location: France / Essonne / Brétigny
Contact:

Post by Vince » 23 Jan 2007 22:33

moi, j'ai fait sur la mienne.
j'ai monté une alarme avec telecommande et elle est connectée sur la centralisation.

par contre, il a falllu que je monte une paire de relais. mon alarme fait un +12V sur un fil pour le lock et sur un autre pour le unlock.

voilà le schéma d'origine :
http://v8spirit.com.free.fr/corvette82/8a-75.jpg

voilà le schéma modifié :
http://www.v8spirit.com/temp/alarm-doorlock2.jpg

ça peut donner ça si l'alarme ou le boitier fait une mise à la masse :
http://www.v8spirit.com/temp/alarm-doorlock.jpg

les deux fils coupés par les relais (noir/bleu) sont ceux qui traversent la voiture. pareil pour le +12V (orange).

j'ai remplacé les moteurs d'origine grippés/grillés par des moteurs spal 2 fils.

mon alarme simule le bouton de droite et les 2 boutons marchent encore.

jerome
Small block
Posts: 1122
Joined: 29 Jan 2004 8:05
Votre type de corvette: C5

Post by jerome » 23 Jan 2007 23:14

ce genre de kit:

Image

par contre pas a ce prix! :wink:

jerome
Small block
Posts: 1122
Joined: 29 Jan 2004 8:05
Votre type de corvette: C5

Post by jerome » 23 Jan 2007 23:40

j'ai une tite question niveau electrique,

e voudrais bien faire fonctionner l'alarme d'origine (malgré qu'elle soit un peut arcahique) par contre il me faudrait un relais bistable histoire de remplacer la commande sur la serrure!
ca existe? y'a un autre moyen?

:?:

User avatar
CHEVY14
Big block
Posts: 2813
Joined: 20 Dec 2004 22:11
Location: Juno Beach (Si Si...)

Post by CHEVY14 » 24 Jan 2007 1:50

J'voudrais pas dire de bétise mais je crois que la C3 à Vince était déja équipée du syst d'ouverture complet & donc il n'y avait que le branchement à réaliser...
Perso sur la C4 c assez chiadé il a fallu aussi 2 relais à cause de l'inversement de polarité du moteur... Et encore j'ai utilisé une alarme US...
Perso je sait pas si un kit complet no d'origine avec moteur peut se poser...

Pr l'alarme si tu prend un systeme juste 'antivol' à telec & qu'il y a une sortie d'alimentation ou de une masse qui se met lors de la mise en fonction tu peut jouer ça va un relais inverseur simple...

User avatar
Vince
Big block
Posts: 3615
Joined: 28 Jan 2004 14:33
Location: France / Essonne / Brétigny
Contact:

Post by Vince » 24 Jan 2007 11:07

CHEVY14 wrote:J'voudrais pas dire de bétise mais je crois que la C3 à Vince était déja équipée du syst d'ouverture complet & donc il n'y avait que le branchement à réaliser...
si Jérome demande si on peut le faire en gardant les boutons de portes, c'est que la sienne est équipée aussi du doorlock d'origine...
donc mon schéma doit aller.
Perso sur la C4 c assez chiadé il a fallu aussi 2 relais à cause de l'inversement de polarité du moteur... Et encore j'ai utilisé une alarme US...
alarme us ou eu, c'est pareil du moment que tu as des moteurs 2 fils... ça marche par inversion des polarités.

le kit de la photo de Jérome doit être un 4 ou 5 fils. le fait d'actionner un moteur à la clé active le second moteur (ce n'est pas mon cas).
Perso je sait pas si un kit complet no d'origine avec moteur peut se poser...
un kit universel sert justement à ça (équiper une voiture qui n'a pas le verrouillage centralisé) non ?

Jérome : laisse tomber l'alarme d'origine. il n'y a pas de coupure (antivol) et il faut 30 secondes pour la neutraliser.

User avatar
VETTE_30
blue flame
Posts: 354
Joined: 11 May 2004 10:08

keyless entry

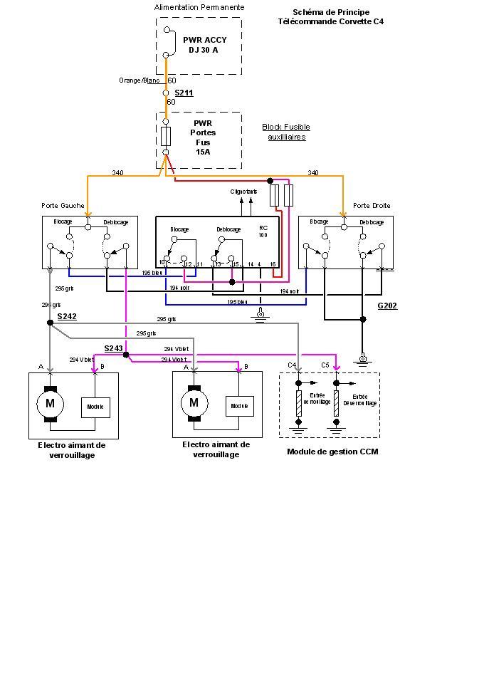
Post by VETTE_30 » 24 Jan 2007 16:14

J'avais posté un thème identique l'an dernier pour télécommander l'ouverture centralisée de ma C4
Le schéma proposé par Vince est applicable à mon cas et va me permettre d'instaler un module RC 100 de Conrad electronic
seule modif poser des diodes afin de commander les cligno avants et arrière
Il ya 4 galettes sur les commodos
Attachments
centralisation C4.JPG
centralisation C4.JPG (60.87 KiB) Viewed 11308 times
La Corvette que du plaisir

User avatar
Vince
Big block
Posts: 3615
Joined: 28 Jan 2004 14:33
Location: France / Essonne / Brétigny
Contact:

Post by Vince » 24 Jan 2007 17:45

j'ai moi aussi mis des diodes pour les clicos quand j'ai monté l'alarme.
il y a 4 fils au niveau de la colonne pour les clicos et mon alarme n'avait que 2 sorties.

User avatar
CHEVY14
Big block
Posts: 2813
Joined: 20 Dec 2004 22:11
Location: Juno Beach (Si Si...)

Post by CHEVY14 » 25 Jan 2007 3:48

Vince wrote: alarme us ou eu, c'est pareil du moment que tu as des moteurs 2 fils... ça marche par inversion des polarités.
Ouais ben c ça qui est casse bonbon, mieux vaut des moteurs à 2 fils positifs + 1 masse ou 2 négatifs + 1 positif...
Vince wrote:un kit universel sert justement à ça (équiper une voiture qui n'a pas le verrouillage centralisé) non ?
Exact mais le sytème de tringlerie n'est pas souvent aisement adaptble : fixations, distance de déplacement de la tringlerie par rapport au moteur ajouté etc...
VETTE_30 wrote:J'avais posté un thème identique l'an dernier pour télécommander l'ouverture centralisée de ma C4
Oui moi aussi & il était plus simple :

Image[/img]
Vince wrote:j'ai moi aussi mis des diodes pour les clicos quand j'ai monté l'alarme.
il y a 4 fils au niveau de la colonne pour les clicos et mon alarme n'avait que 2 sorties.
Normal c quasi comme ça ds ttes les ricaines...
C pr cela que ds les docs d'alarme US ils disent de se prendre tt simplement sur les veilleuses et c branché av 1 seul fil ss diodes. Avantage en + les feux lateraux arr clignotent aussi... :wink: :wink:

jerome
Small block
Posts: 1122
Joined: 29 Jan 2004 8:05
Votre type de corvette: C5

Post by jerome » 12 Feb 2007 22:41

bon j'ai le kit mais alors niveau cablage c'est un peu le bordel! avis aux experts:

Image

par contre le boitier fait pas mal de truc, genre la remontée des vitres (ca sert a pas grand chose mais je pense la connecter cette option)

:twisted:

User avatar
Vince
Big block
Posts: 3615
Joined: 28 Jan 2004 14:33
Location: France / Essonne / Brétigny
Contact:

Post by Vince » 12 Feb 2007 22:49

jerome wrote:bon j'ai le kit mais alors niveau cablage c'est un peu le bordel! avis aux experts:
je ne suis pas expert, mais j'aurais bien essayé de t'aider si j'avais réussi à lire le schéma :D

jerome
Small block
Posts: 1122
Joined: 29 Jan 2004 8:05
Votre type de corvette: C5

Post by jerome » 12 Feb 2007 22:52

Image

la suite du schema!

:wink:

jerome
Small block
Posts: 1122
Joined: 29 Jan 2004 8:05
Votre type de corvette: C5

Post by jerome » 15 Feb 2007 23:02

Tjs en train de ramer sur mes schema!
pff l'electricité je prefere en réel car les schéma j'ai un peu du mal je m'y perds vite!

:cry:

User avatar
Vince
Big block
Posts: 3615
Joined: 28 Jan 2004 14:33
Location: France / Essonne / Brétigny
Contact:

Post by Vince » 15 Feb 2007 23:29

je veux bien t'aider, mais ton premier schéma est illisible...

User avatar
CHEVY14
Big block
Posts: 2813
Joined: 20 Dec 2004 22:11
Location: Juno Beach (Si Si...)

Post by CHEVY14 » 16 Feb 2007 2:45

jerome wrote:pff l'electricité je prefere en réel car les schéma j'ai un peu du mal je m'y perds vite!

:cry:
Euhhh... Ss shéma imposs de s'en sortir...
Ca m'a pas bien l'air complexe, on voit très mal mais le module semble gérer ts les modes de fermetures (positif, négatif & pneumatique) mais toi tu t'en fiche faut que tu utilise le mode correspondant au moteur que tu as acheté...
Donc déja tu peut les tester & voir s'il fonctionnent...
Ensuite les monter pr les regler...
En dernier tu t'occupera du branchement de la centrale... :wink:

jerome
Small block
Posts: 1122
Joined: 29 Jan 2004 8:05
Votre type de corvette: C5

Post by jerome » 16 Feb 2007 8:50

ok
donc je re ferai un scan du schema!

:wink:

jerome
Small block
Posts: 1122
Joined: 29 Jan 2004 8:05
Votre type de corvette: C5

Post by jerome » 18 Feb 2007 20:00

voila:

Image

:wink:

User avatar
Vince
Big block
Posts: 3615
Joined: 28 Jan 2004 14:33
Location: France / Essonne / Brétigny
Contact:

Post by Vince » 18 Feb 2007 22:59

en fait, les relais semblent intégrés dans ton boitier.

si les couleurs sont les mêmes que sur ma vette (cf mon schéma d'origine) :
http://v8spirit.com.free.fr/corvette82/8a-75.jpg

- tu coupes le bleu et le noir (un des deux est le lock et l'autre le unlock, faut tester car je ne me rappelle plus)
le fil qui va au switch gauche se connecte sur le fil #30. le fil qui va à droite sur le #87a
- tu mets du +12V (le fil orange) sur le #87

ça correspond à mon schéma
http://www.v8spirit.com/temp/alarm-doorlock2.jpg

et pour ton schéma, ça correspond plus ou moins au "reverse polarity".

je ne suis pas convaincu de l'utilité des 2 fusibles 10A vu que le +12V est déjà protégé par un fusible...

jerome
Small block
Posts: 1122
Joined: 29 Jan 2004 8:05
Votre type de corvette: C5

Post by jerome » 19 Feb 2007 19:57

Merci mon vince!

:wink:

Post Reply